floor frame (CAB(ADD.ITEM (T80)

Back to Category List
Showing 2 Results
FLOOR FRAME(CAB(ADD.ITEM (T80)
Select your preferred dealer:
Products will be delivered from Yanmar, not the dealer.
We're looking for dealers in the following zip code:
zipcode 43215
Select
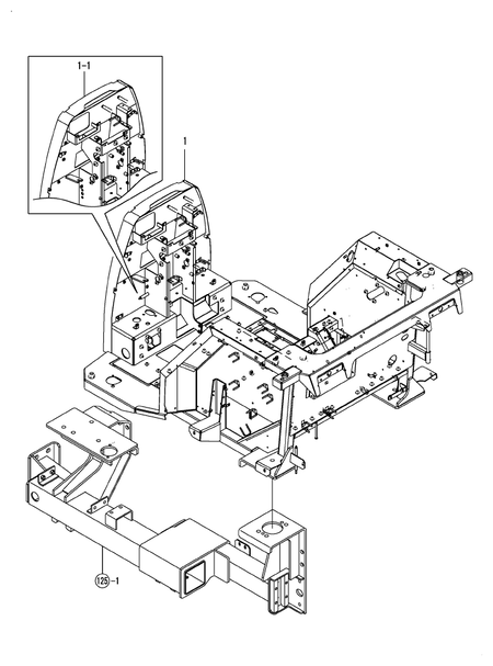
1
FRAME ASSY, FLOOR
1A7340-64000
Not for Sale Online
1-1
FRAME M ASSY, FLOOR
After S/N# *2008.06.
New Part Number: 1A7347-64001 Old Part Number(s): 1A7347-64000
Not for Sale Online