• Yanmar Products
  • Yanmar Owners Community
  • Sign In
  • Dealer Sign In
  • Saved for Later
  • Track an Order
Contact Us
  • Tractors
  • Attachments
  • Utility Vehicles
  • Parts
  • Merchandise
  • Zero Turn Radius Mowers

SA Series

SA Series

YT2 Series

YT2 Series

YT3 Series

YT3 Series

YM Series

YM Series

  • Shop ALl Tractors
  • Tractor Attachments

Not sure which Tractor?

Use the following link to compare various tractor models.

Compare Tractors
Yanmar Owners Community
Contact Us
  • Sign In
  • Dealer Sign In
  • Saved for Later (0)
  • Products
  • Options/Accessories
  • Parts

Popular searches

  • SA Series
  • Digging, Lifting & Moving
  • Seeding & Planting

Find parts by categories

  • Industrial Engine Parts
  • Tractor Parts
  • UTV Parts

Popular Products

SA223 with Industrial Tires
SA223 with Industrial Tires
SA223 with Industrial Tires
Best for under 25 acres • 21.5 hp performance • 825 pound front lift capacity • Category 1 / 3 point hitch •
$20,599 MSRP
YT347 with Industrial Tires
YT347 with Industrial Tires
YT347 with Industrial Tires
Best for 25 acres or more • 46.0 hp performance • 2,500 pound front lift capacity • i-HMT technology • Extra-wide 72-inch bucket • Category 1 / 3 point hitch • Rear remote • Dual rear remote valves •
$50,899 MSRP
SA223 with Industrial Tires
SA223 with Industrial Tires
SA223 with Industrial Tires
Best for under 25 acres • 21.5 hp performance • 825 pound front lift capacity • Category 1 / 3 point hitch •
$20,599 MSRP
  1. Home
  2. Parts
  3. Industrial Engine Parts
  4. 3TNV Series
  5. 3TNV74F-SDSA

3TNV Series 3TNV74F-SDSA

Back to 3TNV Series Subcategories

Search for "3TNV Series 3TNV74F-SDSA"

1 - 15 of 15 Results

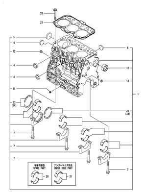
CYLINDER BLOCK (3TNV74F-SDSA)

CYLINDER BLOCK (3TNV74F-SDSA)

GEAR HOUSING (3TNV74F-SDSA)

GEAR HOUSING (3TNV74F-SDSA)

FLYWHEEL HOUSING & OIL SUMP (3TNV74F-SDSA)

FLYWHEEL HOUSING & OIL SUMP (3TNV74F-SDSA)

CYLINDER HEAD & BONNET (3TNV74F-SDSA)

CYLINDER HEAD & BONNET (3TNV74F-SDSA)

EXHAUST MANIFOLD (3TNV74F-SDSA)

EXHAUST MANIFOLD (3TNV74F-SDSA)

CAMSHAFT & DRIVING GEAR (3TNV74F-SDSA)

CAMSHAFT & DRIVING GEAR (3TNV74F-SDSA)

CRANKSHAFT & PISTON (3TNV74F-SDSA)

CRANKSHAFT & PISTON (3TNV74F-SDSA)

LUB. OIL SYSTEM (3TNV74F-SDSA)

LUB. OIL SYSTEM (3TNV74F-SDSA)

COOLING WATER SYSTEM (3TNV74F-SDSA)

COOLING WATER SYSTEM (3TNV74F-SDSA)

FUEL INJECTION PUMP (3TNV74F-SDSA)

FUEL INJECTION PUMP (3TNV74F-SDSA)

GOVERNOR (3TNV74F-SDSA)

GOVERNOR (3TNV74F-SDSA)

FUEL INJECTION VALVE (3TNV74F-SDSA)

FUEL INJECTION VALVE (3TNV74F-SDSA)

FUEL PIPE (3TNV74F-SDSA)

FUEL PIPE (3TNV74F-SDSA)

STARTER MOTOR (3TNV74F-SDSA)

STARTER MOTOR (3TNV74F-SDSA)

GENERATOR (3TNV74F-SDSA)

GENERATOR (3TNV74F-SDSA)

Related 3TNV Series Part Categories

  • 3TNV70-ASA
  • 3TNV70-ASA3
  • 3TNV70-GGE
  • 3TNV70-HGE
  • 3TNV74F-NDYA
  • 3TNV76-CSA
  • 3TNV76-CSA3
  • 3TNV76-GGE
  • 3TNV76-HGE
  • 3TNV80F-NG6GE
  • 3TNV80F-NXDYA
  • 3TNV80F-SDSA
  • 3TNV80FT-ZMYA
  • 3TNV82A-BDSA
  • 3TNV82A-BDSA2
  • 3TNV82A-BDSA3
  • 3TNV82A-DSA
  • 3TNV82A-DSA2
  • 3TNV82A-DSA3
  • 3TNV82A-GGE
  • 3TNV84T-BGGE
  • 3TNV84T-BKSA
  • 3TNV84T-BKSA2
  • 3TNV84T-BKSA3
  • 3TNV84T-GGE
  • 3TNV84T-KSA
  • 3TNV84T-KSA2
  • 3TNV84T-KSA3
  • 3TNV86CT-DYEM
  • 3TNV88-BDSA
  • 3TNV88-BDSA2
  • 3TNV88-BDSA3
  • 3TNV88-BGGE
  • 3TNV88-DSA
  • 3TNV88-DSA2
  • 3TNV88-DSA3
  • 3TNV88-GGE
  • 3TNV88C-DKW
  • 3TNV88C-DSA
  • 3TNV88C-DYEM
  • 3TNV88F-EPMT
  • 3TNV88F-ESGY
  • 3TNV88F-UG6GE

Have Questions?
We've Got Answers

Click to find answers to frequently asked questions on a range of topics around Yanmar products and services.

Yanmar FAQS
tractor image
tractor image
  • Tractors
  • Attachments
  • Utility Vehicles
  • Parts

Resources

  • Your Buyer's Guide
  • A Landowner's Planner
  • Spec Sheets
  • Quick Reference Guides
  • Tractor Tips

About

  • Our History
  • Yanmar Engines
  • Contact Us
  • About Us
  • 10-Year Warranty

Customer Service

  • Track an Order
  • Shipping & Returns
  • Dealer Locator
  • Returns Policy

© 2025 YANMAR America Corporation. All Rights Reserved.

  • Terms of Use
  • Privacy Policy
  • Gray Market
  • Accessibility
For technical reasons, your request could not be handled properly at this time. We apologize for any inconvenience.

Legal Terms and Privacy

By clicking "Agree", you have read and agree to the Terms of Use and agree to the collection and use of your information by cookies and similar technologies, as set forth in our Privacy Policy.